Sujet : Mélangeur Grohe Tenso
Bonjour,
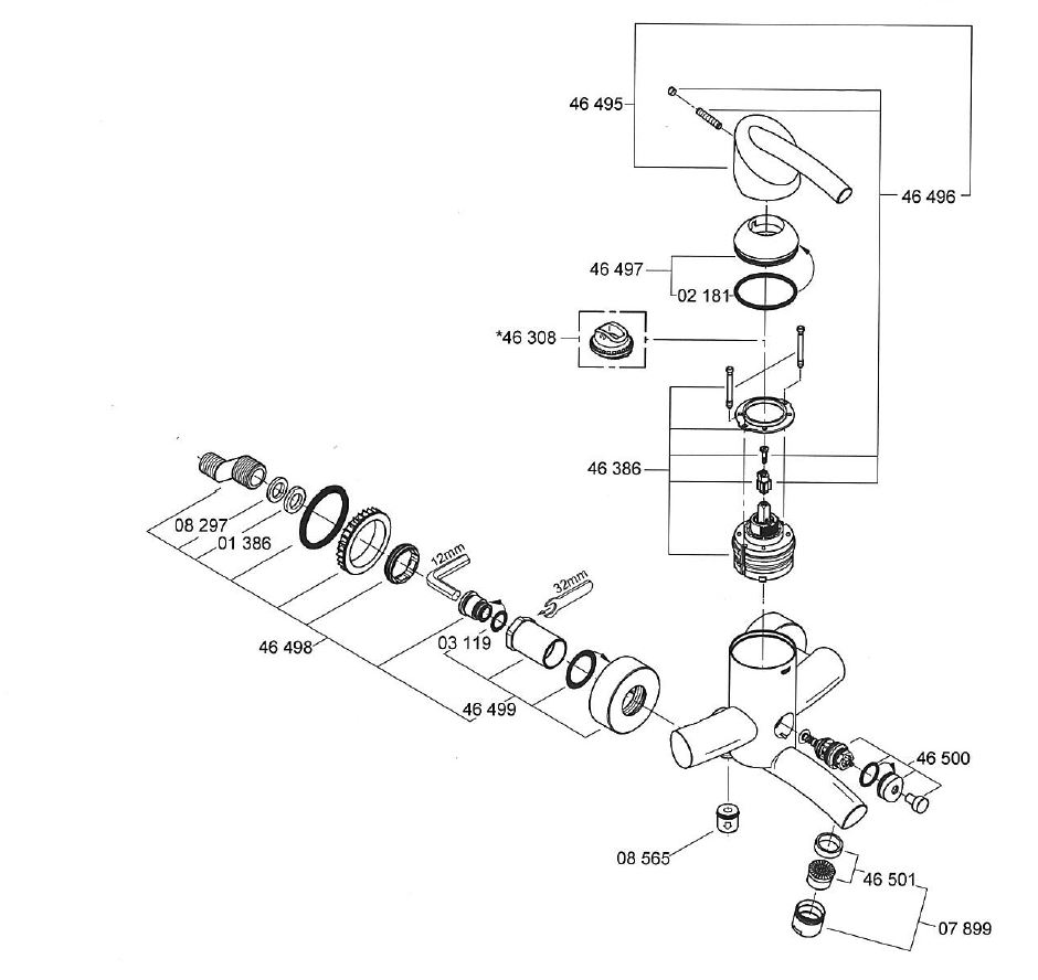
J'ai un mélangeur Grohe Tenso qui a 10 ans et quand on ouvre l'eau, celle-ci coule par la douche et le robinet et continue de couler par le robinet après avoir appuyé sur l'inverseur pour la douche.
Dans l'éclaté ci-joint, c'est l'ensemble 46 500. Il est noté "plus disponible" chez Grohe.
Est-ce réparable ? Si oui, comment le démonte-t-on et que faut il faire ?
Merci d'avance pour vos réponses
Eric


