Re : [Résolu] Câblage thermostat sur chaudière gazliner 23Kw
bon courage! tenez nous au courant
Non connecté Se connecter S'inscrire
Ceux forums sont obsolètes, pour cette raison, Plombiers-réunis est actuellement en cours de mise a jour, malheureusement il n'est plus possible d'utiliser ces forums, toutefois, le contenu reste disponible en lecture, pour une durée de quelques mois avant suppression definitive. Désolé pour la gêne occasionné.
Une nouvelle version est en train d'etre installé: Ici, ceux qui désirent participer en lecture ou écriture, peuvent s'inscrire ou mettre a jours leur mot de passe et participer.
Plombiers Réunis » Régulations et thermostats d'ambiance » [Résolu] Câblage thermostat sur chaudière gazliner 23Kw
Pages ◄ Précédent 1 2 3 Suivant ►
Vous devez vous connecter ou vous inscrire pour pouvoir répondre
bon courage! tenez nous au courant
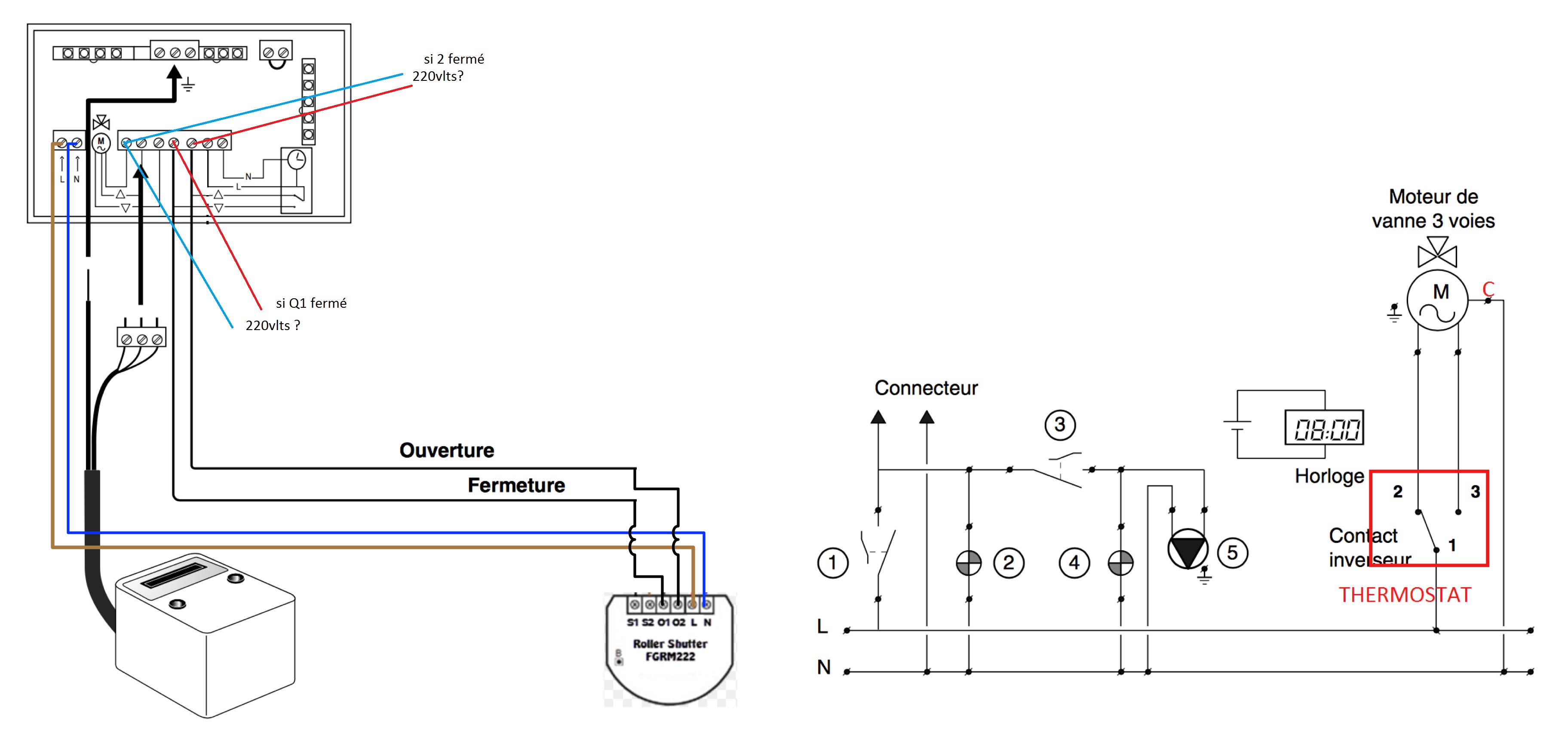
bon j'ai effectué mon branchement hier soir.
en gros ca donne ça (voir pièce jointe)
mon module s'alimente donc sur la phase neutre en entrée de la carte de contrôle. il renvoie la phase sur Q1 ou Q2 en fonction de l'ordre reçu.
je n'ai donc pas branché l'ancien câble labellisé "commun" puisque mon module domotique se sert de son alimentation pour le faire (ce n'est pas comme un thermostat électronique qui a bien besoin d'une alimentation pour fonctionner et que profite de la phase pour s'alimenter et en plus la renvoi sur le contact 2 ou 3 en fonction du besoin.)
j'ai fait quelques test et je n'ai pas vu la vanne tournée.... mes questions sont donc les suivantes :
- même si je n'en ai pas besoin dois je branche quelque chose sur l'ancienne borne "commun" et si oui a quoi je la racccorde, pour moi elle ne servait qu'a alimenté et permettre a l'ancien thermostat de la distribuer.
- mon circuit de chauffage est actuellement coupé les vannes de départ et de retour sont fermées pour cause de fuite au raccordement du circuit à plusieurs radiateurs, en attendant que je change les joints et mettre de la filasse, j'ai donc fermé mon circuit, mis le bouton chauffage sur off (ce qui à l'air d'éteindre le circulateur qui se trouve juste en dessous de la vanne 3 voies) et j'ai biensur une pression de 0 bar dans le circuit.
du fait de tout cela c'est peut être normale que la vanne ne s'ouvre ou ne se ferme pas (je connais pas son état) il y a peut être des contraintes de sécurité ou des pre requis mécanique pour qu'elle s'actionne correctement ? ou elle devrait tourner et je dois en déduire que mon branchement n'est pas correct ?
merci d'avance à nouveau pour votre aide.
bonjour il faut vérifier si le courant est bien présent
effectivement aprés mesure j'ai des valeurs "bizare"
lorsque mon module devrai envoyer du 220V sur Q1 et 0V sur Q2, j'ai comme mesure 220V entre Q1 et N mais 110V entre Q2 et N ce qui n'est pas normal et pourrai expliquer pourquoi la vanne ne tourne effectivement pas...
je vais donc me pencher la dessus pour essayer de trouver une solution...
je reviens avec une deuxieme mesure.. en ayant decablé le module de la chaudiére, et donc en ne laissant que L et N sur le module. les mesures a vide sont correcte j'ai bien 220V sur une sortie et 0 sur l'autre dans les deux cas...
par contre des que je rebranche sur la chaudiére j'ai 220V sur l'une et 110V sur l'autre.
du coup c'est peut etre normale ? dans le sens ou les 110V mesuré sont une difference de potentiel entre le N et le point de mesure sauf que les 110V ne provienne pas du module mais de la vanne 3 voie qui est à l'autre bout du fil...
non ? du coup est ce normale ?
bonjour
la vanne ne bouge ni dans un sens ni dans l'autre quand il y a inversion du courant?
Bonjour,
alors pour bien etre sure qu'on parle bien de la meme chose. on parle bien du bloc blanc (voir pièce jointe) avec un axe qui sort du dessous et qui est fixé sur la vanne 3 voie ?
on est d'accord que je devrai voir le dit axe tourné dans un sens ou dans l'autre ?
si la reponse est oui alors non il ne bouge pas
puis je essayer de la manoeuvrer a la main avec une pince ou quelque chose pour verifier qu'elle tourne sans resistance ? ou je risque d'endomager le mecanisme ?

Bonjour.
Pour vérifier l’état de la vanne il faut démonter le servomoteur et tourner l'axe de la vanne pour savoir si elle est grippé.
Oui en l’état avec le servomoteur monté, l'axe doit tourner mais seulement lorsque la commande l'exige.
Je n'ai pas lu toute le discussion, pouvez vous me dire quel est l'objectif des ces modifications?
Modification du câblage chaudière ou ajout d'options?
Bonjour et merci de votre réponse, en fait moi je suis dans l'informatique à la base, alors la plomberie, a part des soudure cuivre j'y connais pas grand chose...
Donc pourquoi vouloir commander la vanne 3 voie de ma chaudière et bien parce que le thermostat d'ambiance installé dans la maison était câble pour piloter la vanne ( voir message précédent avec schéma de câblage) il y a 3 fil qui sorte de mon thermostat et qui se branche sur le bornier du bas.
Mon but était uniquement de remplacer ce thermostat indépendant par un module Domotique qui fera la même chose mais de manière piloté par une box Domotique !
Je n'ai donc rien voulu changer au câblage existant, je me suis juste contenté de l'adapter à mon besoin, en tout cas si Comme vous dite le câblage était mauvais il l'étais donc avant mon arrivé dans la maison....
D'après ce que j'ai compris ma vanne 3 voie fonctionne en tout ou rien, si elle est ouverte l'eau circule et la chaudière activera le brûleur si l'eau dans le circuit n'est pas assez chaude. Si la vanne est fermé l'eau ne circule Pas dans le circuit.. C'est ce que j'ai compris des explications d'un autre membre du forum intervenu sur ce topic....
Du coup je suis un peu perdu....
Ok j'ai bien compris, et je ne connaissais pas ce type de câblage (c'est une première pour moi) je n'ai pas dit que c’était vous...
Mais avec ce type de câblage, comment est géré la production d'eau chaude sanitaire, est-elle toujours prioritaire, pour avoir de l'eau chaude il faudra que la vanne soit en position fermé, ce qui est impossible si le thermostat d'ambiance demande du chauffage.
Pour en revenir a votre problème.
Le collègue a bien répondu et si votre thermostat a le même fonctionnement que le précédent, et s'il rends les mêmes tensions en sortie, il ne devrais y avoir aucun soucis.
Pages ◄ Précédent 1 2 3 Suivant ►
Vous devez vous connecter ou vous inscrire pour pouvoir répondre
Plombiers Réunis » Régulations et thermostats d'ambiance » [Résolu] Câblage thermostat sur chaudière gazliner 23Kw
Nous sommes dans l'obligation technique de changer l'architecture et la structure de notre site, une nouvelle version est en cours d'installation ici:, rendez vous sur ce nouveau forums pour retoruver votre compte et vos messages, au besoin demandez un nouveau mot de passe, ce forum reste cependant actif et accessible mais en lecture seule, il n'est plus possible de s'inscrire ni de demander de l'aide.