Sujet : Bouclage sanitaire, vanne thermostatique et protection de la pompe
Bonjour, je suis en train de réaliser mon installation de plomberie et chauffage central.
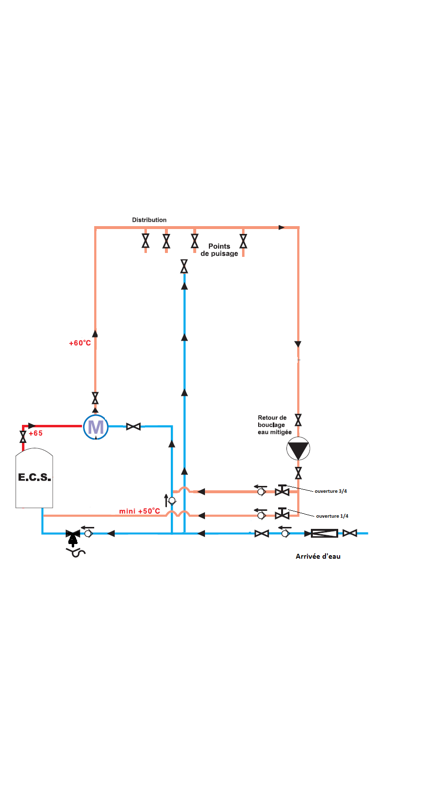
J'ai l'intention de mettre une boucle d'eau chaude sur le ballon (réchauffé par une chaudière à gaz) et Je me pose un certain nombre de questions.
1/ Je voulais protéger la pompe avec une soupape de retour, mais il est très difficile de trouver une soupape avec un seuil suffisamment bas pour ce genre de pompe. A la réflexion, vu la puissance très modeste de la pompe (4.5W), je me dis qu'elle ne risque rien même si la boucle est fermée accidentellement. Je n'en ai jamais vu sur les schémas disponible. Un avis ?
2/Je serais intéressé par un régulateur thermostatique sur le ballon, pour limiter la température, mais un tel système ne me parait pas pouvoir fonctionner avec une boucle. S'il n'y a pas de puisage, il ne peut pas y avoir d'apport d'eau froide refroidissant l'eau circulante. Donc dans ce cas, on doit mettre les limiteurs sur les points de puisage, ce qui multiplie les coûts. un avis ?
3/Je pense mettre la pompe sur le même départ électrique que la chaudière, est-ce autorisé/recommandé ?
4/ La pompe peut elle être installée avec le flux d'eau descendant ?
5/Une horloge est-elle vraiment utile pour ce genre de pompe, sachant que je vais isoler tout le circuit, et qu'il est relativement court (moins de 20 m en tout en tuyau de 16) ?



