Sujet : Schéma de rénovation et questions (débutant)
Bonjour,
Je vous remercie tout d'abord pour ce site, bien utile pour le débutant que je suis. J'y ai trouvé des tas de schémas très clairs dont je me suis inspiré pour faire le mien. Je vous remercie aussi pour les critiques constructives que vous ferez pour m'aider à avancer dans mon projet.
La situation en quelques mots: ma maison date de 1983 et la plomberie, en cuivre soudé, aussi. A mon sens, certaines choses n'ont pas été faites dans les règles de l'art et j'attendais, depuis 5 ans que je possède et rénove la maison, une occasion pour tout refaire correctement. Cette occasion s'est produite il y a deux semaines: la panne du chauffe-eau que je voulais déplacer depuis longtemps, car il n'est pas bien placé. Depuis, on se dépanne avec une bouilloire et autant vous dire que j'ai la pression, même si je refuse de me précipiter pour ne pas risquer de bâcler.
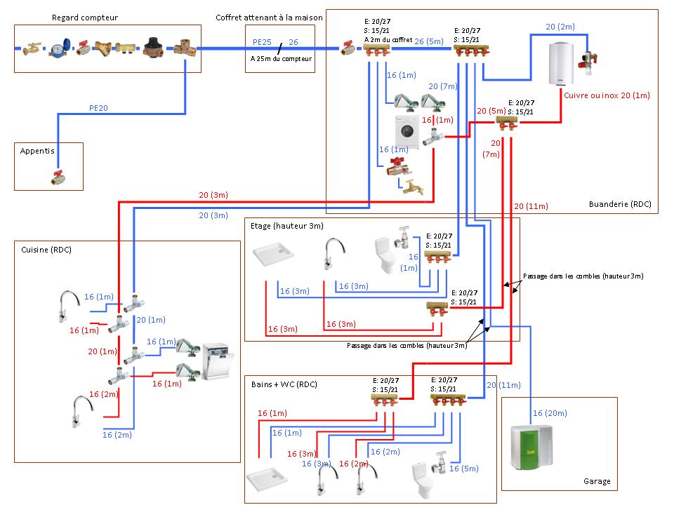
Voici donc le schéma que j'ai fait et que je soumets à votre jugement. A cause des contraintes du dessin, je n'ai pas toujours pu mettre l'eau chaude en haut et à gauche mais j'ai bien en tête cette règle de base.
Sauf mention contraire, les tubes sont tous en multicouche, et même multicouche isolé pour l'eau chaude. Le diamètre indiqué est le diamètre extérieur du tube et la distance, celle de la section. Les raccords seront sertis (TH) avec une pince que je n'ai pas encore achetée (tête pivotante, plus pratique je pense que le premier prix en GSB et à peine plus chère). Pour les filetages, ce sera filasse et pâte à joint, car je me méfie du téflon (je me méfie surtout de ma façon de faire l'étanchéité au téflon: je la rate une fois sur deux!).
Les arrivées d'eau chaude pour le LL et le LV ne seront pas utilisées pour l'instant. C'est juste au cas où, un jour, j'aurais les moyens d'acheter des équipements avec les deux entrées EF-EC.
Mes principaux doutes sont les suivants:
- n'y a-t-il pas trop de nourrices?
- le diamètre 26 de l'arrivée d'eau froide (après le PE25) est-il adapté?
- les nourrices ont-elles des tailles d'entrée/sortie compatibles avec les tubes utilisés? Exemple: tube de 26 et entrée 20/27, sortie 15/21 et tube de 20. Je me demande notamment s'il n'y a pas de risque de perte de charge avec un passage trop étroit par rapport au tube.
- le chauffe-eau est installé au RDC et des tubes d'eau chaude desservent l'étage (points d'utilisation à 3m de haut) ou transitent par des combles perdus (hauteur: 2,70m) pour rejoindre la salle de bains du RDC (passage sous dalle impossible): n'y a-t-il pas de risque de pression insuffisante?
- j'ai lu qu'il ne fallait pas utiliser de multicouche directement en sortie d'un chauffe-eau. J'ai donc prévu soit un flexible, soit un cuivre. Pouvez-vous me confirmer?
- faut-il installer un mitigeur à la sortie du chauffe-eau? Et un ballon tampon entre le CE et le groupe de sécurité? Je ne l'ai pas dessiné sur le schéma mais je me pose la question.
- enfin, le compteur n'est pas comme ça aujourd'hui: il y a juste la vanne côté réseau public, le compteur, un truc qui ressemble à un clapet anti-retour et un té. Je prévois d'ajouter une vanne d'arrêt de mon côté du compteur, un clapet anti-pollution et un limiteur de pression. Est-ce adapté et y a-t-il un ordre à respecter?
J'espère avoir été clair.
Merci beaucoup pour votre aide,
Nicolas


