Sujet : Avis sur reseau Multicouche Maison neuve
Bonjour,
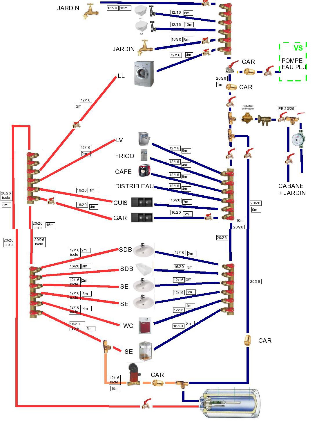
Je suis en cours de construction et novice en plomberie...
Ci-dessous le plan preliminaire de mon réseau. Quelques particularités :
- récuperation eau de pluie
- boucle eau chaude
Les raccords seront sans doute à compression par facilité.
Le reseau sera noyé en chape donc pas de raccord dans la chape.
Je sais que mon raccordement eau de pluie n'est pas aux normes (pas de dispositif de subverse), mais je n'ai pas trouvé mieux pour un coût correct...
Je m'interroge sur le diametre de la boucle eau chaude aller : faut-il du 20/26 ou du 16/20 serait-il suffisant ? (objectif : baignoire + douche + 1 vasque en fonctionnement simultané eau 40°C)
Toutes les remarques seront les bienvenues !
Merci d'avance.



